双线式集中润滑系统介绍
| 手动终端式系统 | |
|
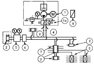
一、系统介绍 由换向阀 1a 的位置决定润滑泵①输出的润滑剂经两条供油主管的某一条供送,另一条向贮油器开放。 双线分配器②全部动作完毕,供油压力急剧上升。可用供油压力是否达到预先确认的数值来判断系统给油工作是否已经完成。 系统再次进行给油运行时,换向阀 1a 处于相反位置,此时供油主管压送和开放交换。 二、特 点 系统简单,设备费用低。 适用于给油间隔时间长,润滑点少的场合。 也可与其它系统配合,润滑某些特殊的部位。 |
|
| 三、系 统 图 四、系统装置简图 | |
|
|
| 电动终端式系统 | |
|
一、系统介绍 电控柜⑤内的指令时间继电器使系统按照设定的给油间隔时间自动动作,按”给油时间延长“表示给油工作的异常,另设有”贮油器空“,”过负荷运转“等警报信号。指令时间继电器按系统一次给油工作实际所需时间加2~5分钟调整。 供油主管末端装有压力操纵阀或压差开关阀或二只压力开关阀(每管线单配)④,当末端压力达到设定值,向电控柜发送信号,换向阀 1a 换向,润滑泵①停止系统一次给油工作完成。经过设定的时间间隔后,系统再次工作,从另一条主油管供油。 系统设计通常按给油时间5分钟以内(最高8分钟以内)设计,压差开关/压力操纵阀的标准设定压力为5MPa左右。 压差开关/压力操纵阀设置在压力损失最大处的供油主管末端,建议后面再布置一块分配器(见下图双点线框内),以便于末端油脂的更新。 对于中小型系统,为方便电气配线,可以采用前端压力控制换向,即在换向阀二出口管线上并联安装压力控制器,末端无须安装压差开关/压力操纵阀。 二、特 点 配管费用较低。 采用末端压力作为系统给油工作完成的控制参数,设计容易。 适用于润滑点分布较广的场合。 |
|
| 三、系 统 图 | 四、系统装置简图 |
|
|
![]() |
| 电动环式系统 | |
|
一、系统介绍 电控柜④内的指令时间继电器使系统按照设定的给油间隔时间自动动作,指令时间用”给油时间延长“表示给油工作的异常,另设有”贮油器空“、”过负荷运转“等警报信号。指令时间继电器按系统一次给油工作实际所需时间加2~5分钟来调整。 液压换向阀 1a 具有切换两条供油主管和控制供油主管末端的压力的功能,当供油的主管的末端压力达到液压换向阀的设定压力,液压换向阀换向,并向电控柜发送信号,润滑泵①停止,系统再次工作,从另一条主油管供油。 系统设计通常按给油时间5分钟以内(最高8分钟以内)设计,液压换向阀的标准设定压力为5MPa。 二、特 点 供油管末端压力直接控制换向阀换向,动作可靠。 换向阀装设于润滑泵上,电气配线费用低。 在润滑泵上进行压力调整,维护、检查方便。 适用于润滑点比较集中的场合。 四、系统装置简图 |
|
| 三、系 统 图 | 四、系统装置简图 |
|
|
| 电动二级分配系统 | |
|
一、系统介绍 基本动作和前述电动终端式系统相同。二次分配由双线分配器②的出油口接二次供油管向递进式分配器③供油,这样,双线式分配器的一个出油口可向4~8个润滑点给油。 在分配器②和③之间的配管较长的情况下,为使分配器③动作有充分的保证,采用了压力控制阀⑥,使主管压力升高。压力控制阀安装在距压差开关/压力操纵阀⑤1米以内的主管上。 压差开关/压力操纵阀后续需布置一块双线式分配器(见下图接线框内),这块分配器上不要再接递进式分配器,进行二次分配。压差开关/压力操纵阀一般安装在压力损失最大处的供油主管末端。 电动环式系统亦能布置二级分配,压力控制阀安装在距液压换向阀回油口1米以内的主管上。 二、特 点 适用于润滑点众多,给油量相同、分布集中的场合。 空间狭小难于确认分配器动作的场合,使用效果好。 和压力控制阀配合使用,可以采用细长的管路。 检查部位集中,便于维护管理。 四、系统装置简图 |
|
| 三、系 统 图 | 四、系统装置简图 |
|
|
| 系统配管要领 | |
|
|
| 配管例②(支管引出部分及分配器连接部分) | |
|
|
![]()
|
|
|
配管例③(分配器→轴承配管要领-固定部位) 润滑点可以有固定、移动、旋转三种不同类型,其配管方法各异。对于固定不动的部件,一般工作场合的配管主要使用铜管,特殊场合则使用不锈钢管,分配器出口侧采用端直通管接头,轴承侧应使用直角管接头或端直通管接头。 |
|
|
配管例④(分配器→轴承配管要领-移动、旋转部件) 对于移动部件应使用胶管(特殊及高温场合使用金属软管) 对于旋转轴,轴端安装旋转接头并和胶管连接。 |
|
上一个: 单线式集中润滑系统介绍 下一个: SHRH系列智能集中润滑系统


